Работа по реинжинирингу на примере компании ООО Костромской завод котельного оборудования презентация

Содержание

Слайд 1Презентация на тему:
Работа по реинжинирингу на примере компании ООО «Костромской завод

котельного оборудования».

Студент: Колганов Ф.И.
Доцент: Митрофанова И.П.
Москва 2014


Кафедра «Управление качеством инновационных наукоемких производств»

ИНСТИТУТ ИННОВАЦИОННЫХ ТЕХНОЛОГИЙ И ПРЕДПРИНИМАТЕЛЬСТВА


Слайд 2Об организации
ООО «КЗКО» является динамично развивающейся компанией,
занимающейся производством и оптовой продажей

теплового
оборудования.

На текущий момент компания предлагает своим клиентам:
Пиролизные котлы;
Универсальные котлы;
Воздухогрейные печи;
Банные печи;
Котлы-утилизаторы;
Сопутствующие товары




Основные принципы работы компании – высокое качество сборки, индивидуальный подход к каждому покупателю и гибкая ценовая политика.




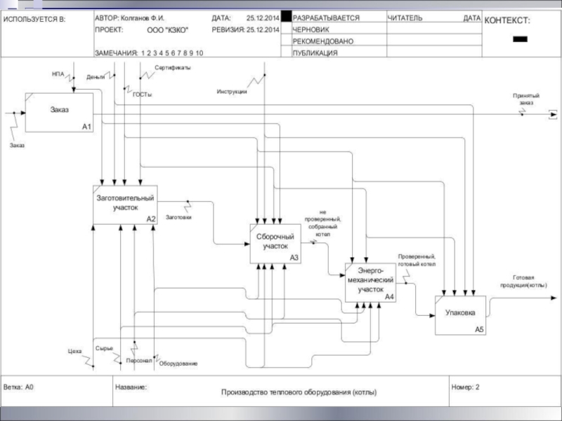
Слайд 3Организационная структура


Слайд 6Визуализация показателей качества


Слайд 7


Разработка директивы для ООО «КЗКО»


Слайд 8Окружение компании


Слайд 9Ожидание клиентов


Слайд 10Бенчмаркинг


Слайд 11Увеличение конкурентоспособности
Проанализировав достоинства конкурентов, было решено увеличить конкурентоспособность ООО «КЗКО»

за счет:

Закупки нового оборудования для более качественной сборки.

Бесплатного предоставления профессиональной помощи по реинжинирингу котелен под нашу продукцию.

Более частых поставок.
Проведение на предприятии еженедельных «дней качества»


Слайд 12Выявление основных трудностей бизнеса компании
Был выявлен ряд проблем, для того чтобы

выявить наиболее важную из них было решено провести опрос среди сотрудников компании.

Слайд 13Анализ результатов


Слайд 14Диагноз компании
В результате проведения анализа, группа экспертов выяснила, что оборудование, на

стадии сборки котлов, устарело. В связи с этим возникает необходимость в автоматизации производства.
Это достигается путем внедрения новейшего инновационного оборудования, которое позволит во многих процессах практически исключить человеческий труд. Тем самым увеличив скорость и качество производимых котлов. Также, мы решим проблему нехватки персонала.


Слайд 15Определение рисков
Поломка оборудования;
Увеличение конкуренции;
Незапланированные затраты.
Увольнения


Слайд 16Прецедент модель





Слайд 17Диаграмма взаимодействия
Перевозчик
Снаряжение грузом и инструкции


Слайд 18Объект модель


Коммерческий отдел

Отдел мет-тех
обслуживания и сбыта
Транспортный
отдел
Перевозчик


Слайд 19Вывод
В результате данной работы была создана директива для организации ООО «КЗКО».

Были выявлены конкуренты и их основные преимущества, благодаря чему были выбраны способы увеличения конкурентоспособности. Был проведен анализ жалоб клиентов с целью устранения недостатков. Были выявлены трудности бизнеса и пути решения. При анализе деятельности компании ООО «КЗКО» были построены прецедент модель, объект модель, а так же диаграмма взаимодействия.


Обратная связь

Если не удалось найти и скачать презентацию, Вы можете заказать его на нашем сайте. Мы постараемся найти нужный Вам материал и отправим по электронной почте. Не стесняйтесь обращаться к нам, если у вас возникли вопросы или пожелания:

Email: Нажмите что бы посмотреть 

Что такое ThePresentation.ru?

Это сайт презентаций, докладов, проектов, шаблонов в формате PowerPoint. Мы помогаем школьникам, студентам, учителям, преподавателям хранить и обмениваться учебными материалами с другими пользователями.


Для правообладателей

Яндекс.Метрика