Литейное производство презентация

Содержание

Слайд 1Литейное производство
Литейное производство цветных металлов и сплавов
Литейное производство черных металлов и

сплавов

Производство сплавов

Фасонно-литейное производство

Производство слитков

Фасонно-литейное производство


Слайд 2Фасонное литье
Основы технологии литейного производства


Слайд 3Назначение фасонного литья
Получать отливки близкие по размерам и форме к детали

Получать

отливки с минимальными припусками и максимальной чистотой поверхности
Получать отливки без дефектов
Получать отливки с минимумом трудовых и материальных затрат и минимальной себестоимостью



Слайд 4Фасонное литье
Чугун, сталь – 85-90% фасонных отливок получают литьем в песчаные

формы.
Al, Mg — > 60% отливок получают литьем в кокили, под давлением, центробежным литьем; < 40% отливок – литьем в землю.
Cu, Ni — < 15 – 20% литьем в кокиль, под давлением, центробежное литье; > 80% – литье в землю.
Zn, Pb, Sn – 100 % литье в многократные формы.

Слайд 5Этапы технологического процесса литья


Слайд 6Подготовка литейного производства


Слайд 7Изготовление отливок
Подготовка формовочных материалов
Подготовка шихтовых материалов
Приготовление формовочных и стержневых смесей
Приготовление литейного

расплава

Шихтовка

Формирование отливок
в форме

Выбивка отливок
из формы

Изготовление форм

Изготовление стержней

Подготовка форм
к заливке

Заливка форм

Разливка литейного расплава в ковши













Подготовка формы

Подготовка расплава


Слайд 8Отделка и контроль отливок
Очистка, обрубка и
зачистка отливок
Контроль отливок
Термическая обработка отливок
Годные отливки
Дефектные

отливки

Исправление дефектных отливок

Контроль отливок

Окончательный брак

Грунтовка отливок

Склад отливок















Слайд 9Изготовление отливок в разовых песчано-глинистых формах


Слайд 10Характеристика литья в разовые песчано-глинистые формы
Самый древний способ литья

Можно получать отливки

любых размеров и формы

Низкая размерная точность
(класс размерной точности 7 – 8)

Большая шероховатость поверхности (Rz=80)
(класс чистоты поверхности 1 – 3)

Большой расход формовочных материалов
(5-8 т на 1 т отливок)


Слайд 11Изготовление разовой литейной формы


Слайд 12Литейная форма
- это система элементов, образующих рабочую полость, при заливке которой

расплавленным металлом формируется отливка. Форма обычно состоит из нижней и верхней полуформ, которые изготовляют по литейным моделям в литейных опоках

Слайд 13Литейная разовая песчаная форма: 1 – литниковая система; 2 – полость формы; 3 –

нижняя полуформа; 4 – верхняя полуформа; 5 – опока; 6 – прибыли; 7 – знаковая часть стержня; 8 – штырь; 9 – втулка; 10 - стержень

Слайд 14Модельный комплект –
это совокупность технологической оснастки и приспособлений, необходимых для

образования в форме полости, соответствующей контурам отливки. В модельный комплект включают модели, модельные плиты, стержневые ящики, модели элементов литниковой системы и другие приспособления

Слайд 15Модельный комплект


Слайд 16Литейная модель –
приспособление, при помощи которого в литейной форме получают

полость с формой и размерами, близкими к конфигурации получаемой отливки. Литейные модели бывают неразъемными, разъемными, с отъемными частями и др.

Слайд 17Изготовление деревянной модели отливки


Слайд 18Стержневой ящик –
приспособление, служащее для изготовления стержней. Стержневые ящики бывают цельными,

разъемными, вытряхными и др.

Слайд 20Модельная плита – металлическая плита с закрепленными на ней моделями и

элементами литниковой системы. Ее применяют, как правило , при машинной формовке

Слайд 21Модельные плиты


Слайд 22Расположение моделей отливки и литниковой системы на модельной плите:
1 – штырь

центрирующий; 2 – модельная плита; 3 – верхняя половина модели;
4 – крепежный болт; 5 – штырь направляющий; 6 – контрольный штифт; 7 – модели литниковой системы

Слайд 23Проектирование технологии изготовления отливки


Слайд 24Последовательность проектирования
Определение технологичности отливки
Выбор способа изготовления отливки
Выбор положения отливки в форме
Определение

поверхности разъема модели и формы
Назначение припусков на механическую обработку
Определение точности отливки
Назначение усадки отливки
Назначение формовочных уклонов и галтелей
Установление границ стержней и знаков
Выбор и расчет прибылей, холодильников и литниковой системы
Конструирование элементов отливки и литейной формы
Определение классов точности и допусков размеров модельных комплектов

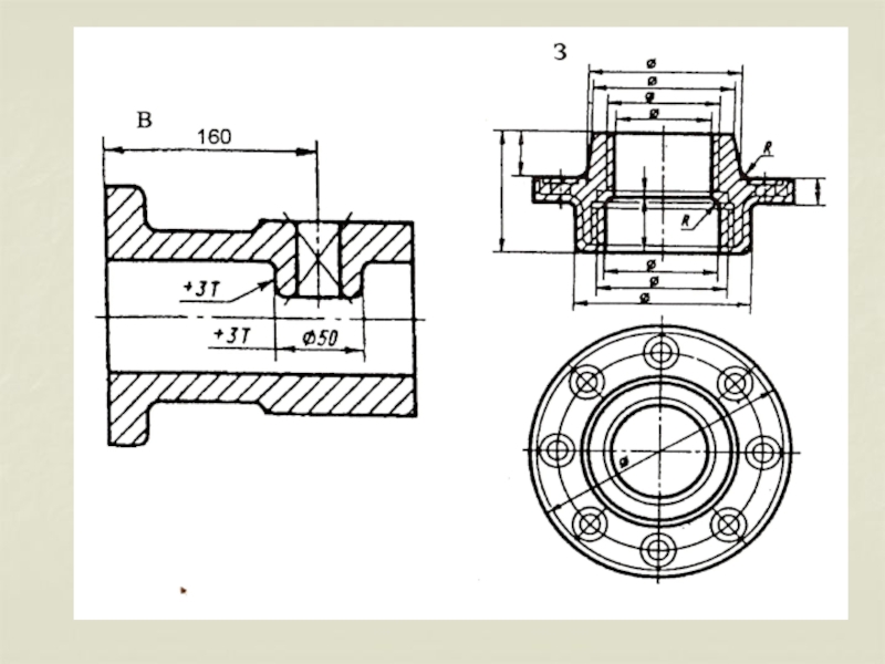
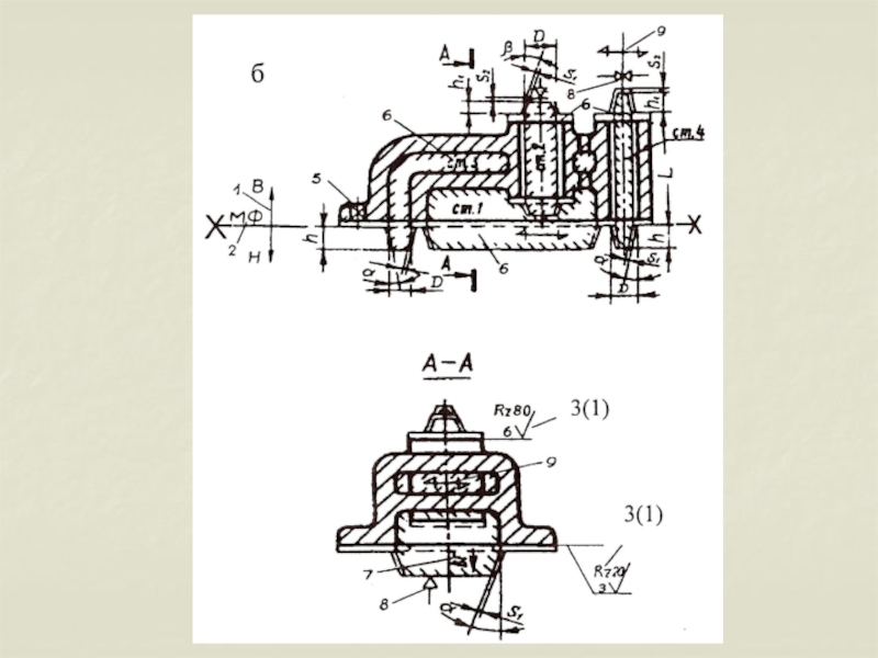
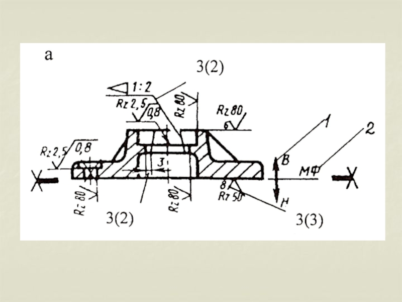
Слайд 25Обозначения элементов литейных форм и отливок
В
Н
Х
Х
МФ
(ГОСТ 3.1125-88 Правила выполнения чертежей литейной

формы и отливки)

Слайд 26Припуски на механическую обработку
ГОСТ Р 53464-2009
Отливки из металлов и сплавов
Допуски размеров,

массы
и припуски на механическую обработку

Слайд 27Припуск на механическую обработку – слой металла, удаляемый в процессе механической

обработки с ее обрабатываемых поверхностей для обеспечения заданной геометрической точности и качества поверхности детали. Припуск на механическую обработку зависит от материала отливки, способа ее изготовления, расположения отливки в форме и наибольшего габаритного размера литой детали.

Слайд 28Алгоритм определения общего припуска на механическую обработку
Определение степени точности поверхностей (Приложение

В)
Определение ряда припусков отливки (Приложение Е)
Определение класса размерной точности отливки
(Приложение А)
Определение степени коробления элементов отливки (Приложение Б)
Выбор допуска размеров отливки (Таблица 1)
Выбор допуска формы и расположения элементов отливки (Таблица 2)
Определение общего допуска элементов отливки
(Приложение И)
Назначение общего припуска на сторону на механическую обработку (Таблица 6)


Слайд 29Точность отливки
Точность отливки указывается в поле чертежа в следующей последовательности:
-

Класс размерной точности
- Степень коробления
- Степень точности поверхности
- Класс точности массы
- Допуск смещения

Точность отливки 8 – 4 – 11 – 5 См 1,2 ГОСТ Р 53464-2009


Слайд 30Формовочные уклоны
служат для удобства извлечения модели из формы без ее разрушения

и для свободного удаления стержня из стержневого ящика. Уклоны выполняют в направлении извлечения модели из формы. Величина уклона зависит от материала модели, способа изготовления отливки и высоты боковой поверхности и составляет 0,5 – 3 град.

Слайд 31Галтели – скругления внутренних углов поверхностей модели. Галтели облегчают извлечение модели

из формы, предотвращают появление трещин и усадочных раковин в отливке. Радиус галтели принимают от 1/5 до 1/3 средней арифметической толщины стенок, образующих угол модели

Слайд 37Формовочные уклоны


Обратная связь

Если не удалось найти и скачать презентацию, Вы можете заказать его на нашем сайте. Мы постараемся найти нужный Вам материал и отправим по электронной почте. Не стесняйтесь обращаться к нам, если у вас возникли вопросы или пожелания:

Email: Нажмите что бы посмотреть 

Что такое ThePresentation.ru?

Это сайт презентаций, докладов, проектов, шаблонов в формате PowerPoint. Мы помогаем школьникам, студентам, учителям, преподавателям хранить и обмениваться учебными материалами с другими пользователями.


Для правообладателей

Яндекс.Метрика