кот. № 39 новый паспортпасп презентация

Слайд 1
общеж.
Крайняя,100.

ТК35/1

Т1,2 ф 50 п/п 2013г
Т3,4 ø 40/32пп 2014г
L=135 м



111

Т1,2 ф 32пп
Т3,4 ф 20пп
L=7м
нов.2016


ТК35/2


Слайд 2113
115
Дальняя, 85

101


97

93


98






111
100
96
Ул. Дальняя
Пер. Центральный

Т1,2 ф57
Т3,4 ф32/20
L=25м
Т1,2

ф76
зам.2013
Т3,4 ф25/ 20
L= 31м

Т1,2 ф57мм
Т3,4 ф25
L=30м

Т1,2 ф57
Т3 ф15
L=6м

Т1,2ф57
L= 9м

Т1,2 ф108
Т3,4ф57/32
L=36,5
От ТК 31 до ТК 36
Канал 2007г


36

ТК34

ТК33

ТК32


ТК29

ТК30

Т1,2 ф57
Т3 ф20
L=10м

Т1,2 ф57
L=40м

Т1,2 ф57
L=40м

Т1,2 ф25
L=7м

Т1,2 ф108
Т3,4 ф57/32
L=17м
В1 до ТК 37

Т1,2 ф133 , (В1 до ТК 33)
Т3,4 ф57/32
от ТК 20 до ТК 31

Т1,2 ф57
L=7м

111б

113а

113




113б





111г

111в

113в

ТК28

ТК27

26

ТК25

ТК24

23

ТК22

Разрез Центральный

Пер. Московский

Т1,2 ф32
L=7м

Т1,2 ф32
Т3 ф15
L=8м

Т1,2 ф32
Т3 ф15
L=9м

Т1,2 ф25
L=7м

Т1,2 ф32
Т3 ф15
L=8,5



Т1,2 ф25
Т3 ф15
L=9м

Т1,2 ф25
Т3 ф15
L=9м

155

157

159

161

Т1,2 ф32
Т3 ф20
L=4м

Т1,2 ф32
Т3 ф20
L=6м

Т1,2 ф32
Т3 ф20
L=6м

Т1,2 ф32
Т3 ф20
L=6м




20/3

ТК 20/2

20/4

Т1,2 ф57
Т3,4 ф 25/15 2007г

30,5м

30,5м

39,5м


ветлечеб.
Герц.74

L=27м

Т1,2ф57 Т3,4 ф32/20
L=23

51

32

Т1,2ф32
Т3ф15
L=25

15

43,5

25

29,5

19

12

7,5

22

9

10

Ул. Герцена


Т1,2 ф32 L=40м
откл.



151


ТК20/5



Т1,2 ф 63 п/п 2013г
Т3,4 ø40/32пп 2014г
L=100 м



К ПО «Инжгеодезия»
Т1,2 ø 76 L = 26 м надз.
Вновь 2013г.


ПО «Инжгео-
дезия»

ТК36/1

ТК31

35

ТК36/2

Т1,2 ф57 Т3,4 ф25/20 L=44м

102

104

106

103

107




Т1,2 ф50пп
Т3,4 ø40/32пп
L= 18

Т1,2 ф50пп
Т3,4 ø40/32пп
L= 27

Т1,2 ф40пп
Т3,4 ø32/25пп
L= 19,3

Т1,2 ф40пп
Т3,4 ø32/25пп
L= 10,5

Т1,2 ф40пп
Т3,4 ø32/25пп
L=11,3

Т1,2 ф40пп
Т3,4 ø32/25пп
L= 18

Т1,2 ф40пп
Т3,4 ø32/25пп
L= 12


Т1,2 ф 63 п/п 2013г
Т3,4 ø 50пп 2014г
L=100 м
От ТК 35 до общ.
L=368м

24

89


от ТК 20 до ТК 36 т/с зам. в 2007г.

Т1,2 ф32пп
Т3,4 ф25пп
L=10м 2016г

Т1,2 ф32пп
Т3,4 ф25пп
L=70м
2016г


Слайд 3Т1,2 ф32пп
Т3,4 ø25/20пп
L= 33; 2016г
Т1,2 ф25
Т3 ф15
L=6м


163а
111е
108
111д
ТК 20


Т1,2 ф57 L=40м В1 к д.111е и 108 от ТК 21 ч/з ТК20; 2016г.

Т1,2 ф32пп
Т3 ф25пп
l=3м 2016г.

Т1,2 ф57
L=7м

Т1,2 ф159
Т3,4 ф76
L=156м
Вновь 2002г.

163

Т1,2 ф 63пп
Т3,4пп ф 40/32
L=19м зам.2016

Пер. Уральский

Т1,2ф57, В1 пэ 40
Т3,4пп ф40/32
L=30 2016г

Т1,2ф76
Т3,4пп ф50/40
L=40 зам.2016г

Проход-
ная АТП

Архив

Архив

20/1


Бокс откл.

Котельная
№39 (Кр.116)

Т1,2ф159
Т3,4ф76
L=140 надз.

Т1,2 ф 57
L=61

Т1,2 ф76
L=66

19

114 Б

114 в

116

114 а




ТК 3

Сверд.79


Крайн,126/1

Т1,2ф57
Т3,4 ф40/25
L=29,5

Дальн.121

ТК4

Т1,2 ф133
Т3,4 пп ф90/ 63
L=64,5 бескан.
Зам.2015.
В1 к кот.




Т1,2ф57
L=18

Т1,2 ф 50 п/п
L= 30
зам.2013

Т1,2 ф57
L=10

Т1,2 ф57
L=8

Т1,2ф108, В1 L=76
Т3,4 ф 45 откл. 05.2014


Дальн.123


ТК6

Т1,2ф57
Т3,4ф57
L=3,5

Т1,2 ф 114
Т3,4 ф 76, В1к кот.
L=88,5 от ТК4 до ТК6

Т1,2 ф159
Т3,4ф76/57, В1к кот.
L=151м от кот. до ТК 3 (2)
лотки

62,5м

32м

56,5м до ТК 3

Дальн.,
125а

Ул. Дальняя

18

22

Т1,2 ф32
L=13



ТК21


Гараж

Т1,2 ф 57
Т3,4 ф 32/25
L=34 2007г

ТК3/1


Байк.
76

Т1,2 ф 57
Т3,4пп ф 50/25
L=5 зам.2015

Т1,2ф57
Т3,4 ф 20
L=31

2007г.
Т1,2 ф133
Т3,4=57/32
L=18,5



ВК

В1




Т4 ø 76
L=5
Зам.2012г.

Т3,4 ф76
L=62,5 надз.

Т1,2 ф 159
L= 25


ТК 2

В1

ТК 1

ТК5




10,3



Т1,2 ф 40 п/п
Т3,4ф 32/25 п/п
L= 100
Переключ. в 2013г.

Кузьмина Р.А. / Гербет В.В откл.

Солодкова Т.В.

Степанов И.А..

Романчук О.Н.

Т1,2 øу = 40
L= 40 Перекл. 2013

Т1,2 ø 76
L= 20

112

110




Т1,2 ф 63 пп
Т3,4 ø 40/32 пп
L= 14 нов.2014

Т1,2 ф 63пп
Т3,4 ø 40/32пп
L= 55

Т1,2 ф 63пп
Т3,4 ø 40/32пп
L= 37

Т1,2 ф 40пп
Т3,4 ø 32/25пп
L= 11

Т1,2 ф40пп
Т3,4 ø32/25пп
L= 7

Т1,2 ф57
L=12
зам.2015

Т1,2 ф 159
Т3,4 пп ø 90/ 63
L= 44 зам. 2015

Т1,2 ф 90пп
Т3,4 ф 50/40пп
L= 135 нов. 2015г.


ТК19/2

19/2

ТК19/3

ТК 19/1

Т1ф108 L= 4м Т2ф108 L= 8м зам.2015 +9м Т1,2 зам.2016 от ТК 6 к ТК 5 подз

Дальн.
111


В1

Хоз.


Слайд 4118


ТК3/2

ТК3/3

ТК3/4
ТК3/5
Т1,2ф 108
L=293м от ТК 3/3
до ТК

3/10 нов. 2002г.



137

135

133

Т1,2 ф 57
L=61,5

Т1,2 ф 57
L=6м

Т1,2 ф 57
L=11м

Т1,2 ф 108, В1
Т3,4 ф 45
L=108,5м

Т1,2ф57
L=28

Т1,2ф57
L=44м


134а

Крайняя, 134 б



ТК 3/8

Т1,2 ф57
L=33м

ТК 3/7

Lнадз.=66м

Т1,2ф57
L=30,5


т/с на балансе потребителя

прибор учета

Ул. Дальняя

Крайняя, 134 а


Крайняя, 132 б

Крайняя, 134 а




Крайняя, 132 а



Т1,2 ф 108, В1
L=21м

Т1,ф 57
Т3,4 ф 45
L=38м

Т1,2ф57
L=57м
Вновь 2010г

Т1,2 ф32
L=42м 2010г

Т1,2 ф25
L=15м, кв.4
2010г

Т1,2 ф25
L=5м, кв.2
2010г

Т1,2 ф25
L=4м, кв.1 2010г

Т1,2 ф40
L=22,5м
2010г


Т1,2ф25
L=1,5 кв.3

Т1,2ф32
L=9 2010г

Т1,2ф57
L=15м
Вновь 2010г

Т\с подземной прокладки на балансе ООО «Теплоэнергогаз»

Т\с надземной прокладки на балансе ООО «Теплоэнергогаз»


ТК

Газоопасная камера

ТК 3/9

ТК 3/11

ТК 3/12

ТК 3/13

ТК 3/14

Строителева Л.В.

Г

газопровод

Т1,ф 57
Т3,4 ф 45
L=45м


Слайд 5110а
129,
кв.1
94
81
81а
83а
81в
83в
83г
81е
Свердл.
86а
Т1,2 ф 50пп
Т3,4 ф 40/32пп
L= 89 2015г
Т1,2 ф 50пп
L=

107,4 нов.2015

Т1,2 ф 32пп
Т3,4 ф 32пп
L= 26

Т1,2 ф 40пп
Т3,4 ф 40/32пп
L= 15,6 до д.

Т1,2 ф 90пп
Т3,4 ф 50/40пп
L= 44,2 нов. 2015г

Т1,2 ф 75пп
Т3,4 ф 40/32пп
L= 38

Т1,2 ф 40пп
Т3,4 ф 40/32пп
L= 26

Т1,2 ф 50пп
Т3,4 ф 32пп
L= 5,5

Т1,2 ф 32пп
L= 6,5

Т1,2 ф 32пп
Т3,4 ф 32
L= 4

Т1,2 ф 40пп
Т3,4 ф 32пп
L= 16,5

Т1,2 ф 32пп
Т3,4 ф 32пп
L= 10

Т1,2 ф 32пп
Т3,4 ф 32пп
L= 8,5

83

Т1,2 ф 75пп
Т3,4 ф 50/40пп
L= 18 2015г

Т1,2 ф 75пп
Т3,4 ф 40/32пп
L= 36

Т1,2 ф 63пп
Т3,4 ф 40/32пп
L= 46

30м

Т1,2 ф 50пп
Т3,4 ф 40/32пп
L= 18








Пер. Уральский

Пер. Уральский

Ул. Крайняя

Пер. Свердловский

Т1,2 ф 32пп
Т3,4 ф 32пп
L= 9



38

39

39/1

39/2

39/3

39/4

39/5

39/6

39/7

19м

баня

Дома подключились в 2015г.


Слайд 6Школа № 7

132




ТК8
101 б
101 а
144
142
140
138
136

134

103 б/1
101в
101г
101д
101е
Ул. Кольцовская
Пер. Байкальский





ТК8/12
8/10


ТК8/9

8/8

ТК8/11

103а

101

8/3

8/2

8/4

ТК8/5

Т1,2 ф 114
L=256м от
ТК6 до ТК8
Lподз.=190м

Т1,2ф89
L=324,5м от ТК8 до школы 2002г. Бесканал.

Т1,2ф90пп
L=20 в гильзе
2014 г

Т1,2ф40пп
L=14 2014

Т1,2ф40пп; В1
L=6м 2014

Т1,2ф63пп
В1 ø 63пэ
L=21,5

Т1,2 ф 63пп
L=73м 2014г






Байк.103г

Байк.,
101е/1

ТК 3/10

Т1,2ф57
L=30м
2002г

Т1,2ф57
L=20м
2002г.

Т1,2ф57
L=21м
2002г

Гильза ф530мм
под а/дор.


ТК8/6

Т1,2ф57
L=13

26,5

20

Т1,2ф32п/п
L=10

Т1,2 ф 63пп В1 ø 63 пэ L= 26,5;

103

Т1,2ф32пп
L=26,7


Байк.
103д

Телефон. кабель

Т1,2 ф108
L= 41,2м*2
под а/дор.
зам. 2010г.

)




Гильза 2 ст .ø 108
L=10 м

Т1,2ф32
L=25м


Байк.,
101ж

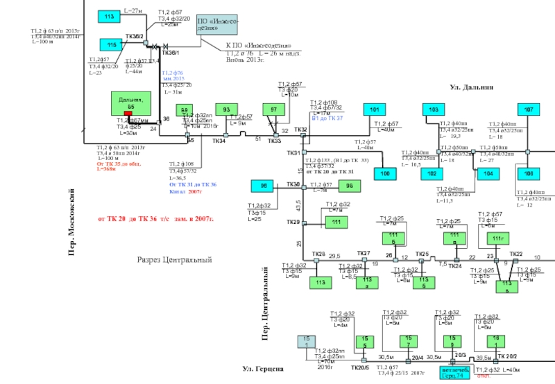
Схема тепловых сетей котельной № 39 ( Крайняя, 116)

Пер. Байкальский


Т1,2ф 40
L=25м вновь 2010г

Т1,2ф32
L=39,5м нов. 2010г

Т1,2 ф 25
L=10м 2010г

Т1,2 ф 25 кв.1
L=26,5м 2010г

Т1,2 ф 25
кв.2 L=5м
кв.4 L=3м
вновь 2010г


132
Кв.4

Кв.1

Кв.2


Байк.,
101и


Кольц.
146

Т1,2 ф 40
L= 104м
2012г.

Т1,2 ф 63п/п
L= 140м
нов.2012


Байк.101з Павлов Э.

Т1,2 ф 48
L= 111м
нов.2013
с 1 .09.2015 наша т/с



8/7

ТК7

ТК7/1

ТК3/15

8/1


Т1,2ф40пп
L=10,5м
Зам.2014

Г

103 Б


30м

Т1,2ф40пп
В1; L= 21 м
2014г

В1


Т1,2 ф32
L=18
вновь 2014

Т1,2ф40пп; В1
L=6м 2014

Т1,2ф40пп; В1
L=6м 2014

Т1,2ф40пп; В1
L=16м 2014

Т1,2ф40пп; В1
L=по 8м 2014



ТК8/13

16,5

26,5

Ул. Тургенева

Т1,2ф32;В1
L=12

В1ф63пэ
L=20
нов.2014

ВК

Т1,2 ф 40пп, В1 ø 63 пэ L= 32; 2014 г

Т1,2 ф 63пп В1 ø 63 пэ L=36

12

4

В1

Т1,2ф40пп
L=16; 2014

Т1,2ф40пп, В1
L=46; 2014

Т1,2ф40пп
L=16 2014

Т1,2ф40пп
L= 13,5 2014

Т1,2ф40пп
L=14 2014

Т1,2ф63пп, В1
L=24;

Т1,2ф63пп, В1
L=27;

Т1,2ф63пп, В1
L=27м;

Т1,2ф63пп, В1ø 63пэ
L=99; 2014



В1

10

6

9

37

77

22

Т1,2ф40пп
L=13м 2014

Т1,2ф32пп
L=13,5м 2014


134, кв.3

Т1,2 ф 50 пп
L= 72 м
вновь 2014г

Т1,2 ф 32 пп
вновь 2014г кв.2=11м кв.3=8м

кв.2

кв.1

Школа № 7
Тург.215


Спорт.
площадка

v

v

Т1,2ф 57
Lобщ.=150 канал, 2016г
комп. сильф.ø 57мм = 2шт

5,5

9,5

24

85

26


8/14

3/16

Т2 ф 89 L= 1,2м зам.2016г. в 4м от ТК 8/14 в стор.ТК 8
Под дорогой канал из лотков шир.0,7м, перекрытых пустот. плитой


Ориент.


Обратная связь

Если не удалось найти и скачать презентацию, Вы можете заказать его на нашем сайте. Мы постараемся найти нужный Вам материал и отправим по электронной почте. Не стесняйтесь обращаться к нам, если у вас возникли вопросы или пожелания:

Email: Нажмите что бы посмотреть 

Что такое ThePresentation.ru?

Это сайт презентаций, докладов, проектов, шаблонов в формате PowerPoint. Мы помогаем школьникам, студентам, учителям, преподавателям хранить и обмениваться учебными материалами с другими пользователями.


Для правообладателей

Яндекс.Метрика