Горочный СЭП и схема управления презентация

Слайд 1Горочный СЭП и схема управления


Слайд 2


Слайд 6Питающая обмотка
Сигнальная обмотка
Вспомогательная обмотка


Слайд 8
Контрольное положение U = 60 – 80 В
U< 3,5 В
Переведенное положение

U = 60 – 80 В

U< 3,5 В

Среднее положение U на обоих датчиках мало (6,5 и 3,5 В)


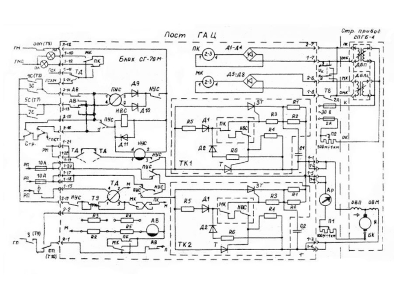
Слайд 9Блок СГ-76


Обратная связь

Если не удалось найти и скачать презентацию, Вы можете заказать его на нашем сайте. Мы постараемся найти нужный Вам материал и отправим по электронной почте. Не стесняйтесь обращаться к нам, если у вас возникли вопросы или пожелания:

Email: Нажмите что бы посмотреть 

Что такое ThePresentation.ru?

Это сайт презентаций, докладов, проектов, шаблонов в формате PowerPoint. Мы помогаем школьникам, студентам, учителям, преподавателям хранить и обмениваться учебными материалами с другими пользователями.


Для правообладателей

Яндекс.Метрика