синхронные
по способу синхронизации - на синхронные со статическим
управлением записью, синхронные двухступенчатые, 
синхронные с динамическим управлением 
- по способу организации логических связей 
- триггеры с раздельной установкой 0 и 1 ( RS - триггеры); 
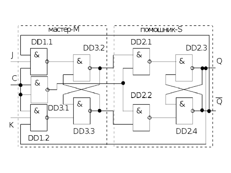
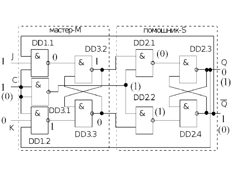
- универсальные триггеры с раздельной установкой 0 и 1 (JK -триггеры ); 
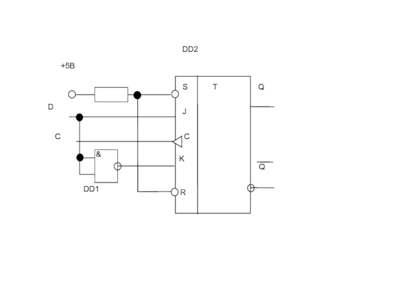
- триггеры задержки (D - триггеры ); 
- комбинированные триггеры (RST-, JKRS-, DRS - триггеры и др.); 
                                




























